众所周知,MOS场效应管属于电压驱动型,但是可以看到很多mos的规格书里,强调的是G级的驱动电流,那么它到底和电流有什么关系呢?

TO-252封装图
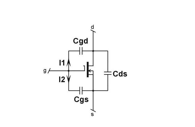
首先我们要知道,由于生产工艺和结构的关系,MOSFET的GS间和GD之间都存在着一个寄生电容,在驱动MOS管导通的过程中,需要给GS间的寄生电容充电,在GS电容充电到一定程度后需要给GD之间的电容充电,即米勒平台过程。

MOS寄生电容示意图
当MOSFET开通时,此电容会放电,从驱动端索取电流,才能使栅极电压升高,这个电容会影响驱动时栅极电压的上升率,同时在DS间存在miller电容,当MOSFET开通时,此电容会放电,从驱动端索取电流,从而使栅极电压上升率降低。如果驱动电流不够,导致MOS管从关断到导通的过渡状态时间太长,会加大MOS管的损耗。关断时,如果驱动电流不够,导致栅极电压下降速度慢,也会加大MOS的损耗。而且开通时间过长也有可能影响后级电路运行和整体电路逻辑。
这就是MOS管为什么属于电压驱动型但是大多数情况下规格书里都是写的G级驱动电流的原因了。
如果您想要了解更多关于MOS场效应管相关的型号、参数、应用、价格和交期等方面信息,欢迎通过下方联系方式咨询我司,南京卡斯电子有限公司期待您的来电!


